全國服務熱線:
400-816-1636
菜單

掃一掃關注公眾號
本實驗系統充分考慮高校及科研院所科研和教學雙重作用而設計的。由于節能技術涉及材料、暖通、結構、供電照明、采光設計、智能監控等多個領域,常見的節能技術手段就多達幾十種,要在一個有限的建筑模型上充分體現各個技術手段是困難的。所以,本著實用、具有代表性的原則,本實驗室主要集中了太陽能熱利用、太陽能光伏利用、地熱取暖、保溫圍護結構、隔熱(LOW-E)玻璃、導光管采光、遮光反光板利用、太陽房利用、集熱墻利用等典型的節能技術手段,力求直觀明了地表達各項技術的應用。
同時本實驗室配置了一個本公司自主研發的監控系統,利用各種傳感器,實時采集和記錄各項節能參數,如溫度、濕度、照度、太陽輻射、風速等,通過后期軟件可直觀觀察到能源的運行過程。可計算某個系統的能效利用,如太陽能熱利用等;同時利用反饋的節能指標進行控制,以達到最佳節能的效果,同時滿足人們的工作生活空氣質量。

系統組成示意圖
本實驗系統實驗室平面尺寸為8M×5M,高度約3M。建筑圍擋為2.5M左右,房間主體結構為鋼構,墻體為最新專利節能輕型墻板。主要集中的節能技術有太陽能光電利用、光熱利用、地板地熱取暖、斷橋門窗、LOW-E玻璃、遮光板反光板、太陽房、特朗伯集熱墻、導光管等最新技術手段,同時還配有獨立的采集監測系統。
本模擬系統集合了多項現在最常用、最典型、最新的節能技術,通過實際應用的方式直觀體現其特點和功能。所有部件都是模塊化設計,考慮了現場安裝的方便性。采用鋼構框架結構,便于更換和安裝。建設條件靈活多樣,可建于室內也可建于室外,總重量在4.5噸內,可建于室外樓頂;對基礎要求不高,適應高校場地緊缺的情況;整個實驗室建設只需10—15天。
建設時需考慮供水和供電的問題。實驗室面積較小,太陽能光伏系統還不能滿足所有用電,尤其是模擬風扇、冷煙機等。同時由于太陽能熱水及地板輻射供暖系統需有長期供水的接入。
| 項目名稱 | 數量 | 單位 | 功能特點 | 特性 |
|---|---|---|---|---|
| JZYG-SWQ1 節能圍護結構 | 40 | ㎡ | 實驗室的主體結構 | 抗震、堅固、建設方便,專利節能保溫材料 |
| JZYG-SWQ2 節能門窗隔熱玻璃 | 12 | ㎡ | 演示自然通風及節能玻璃特點用于同普通玻璃的隔輻射熱對比 | 斷橋鋁合金中空玻璃結構最新斷橋鋁結構 |
| JZYG-SWQ3 太陽房日光間 | 4 | ㎡ | 太陽房的平面尺寸為長度2M,寬度2M,高度2.5M。這種太陽房主要是利用南向垂直集熱墻,吸收穿過玻璃采光面的陽光,然后通過傳導、輻射及對流,把熱量送到室內 | 鋼構加玻璃 |
| JZYG-SWQ4 特朗伯集熱蓄熱墻 | 4.8 | ㎡ | 溫室演示和集熱墻防護 | 特朗伯集熱墻是由朝南的重質墻體與相隔一定距離的玻璃蓋板組成。在冬季,太陽光透過玻璃蓋板被表面涂成黑色的重質墻體吸收并儲存起來,墻體帶有上下兩個風口使室內空氣通過特朗勃墻被加熱,形成熱循環流動 |
| JZYG-SWQ5 地采暖系統 | 40 | ㎡ | 用于演示集熱功能 | 試驗室內鋪設盤管式地暖管,為保證室內溫度均勻和溫度可控性采用四路分水器對地暖進行控制,地暖管采用高品質PE-RT地暖管。 |
| JZYG-SWQ6 太陽能集熱系統 | 10 | ㎡ | 用于收集太陽輻射熱存儲熱水, 滿足太陽房的熱水,地板采暖等功能. 1、太陽能集熱板集熱系統生產熱水; 2、太陽能控制器、水箱系統控制; 3、輔助加熱系統 供熱補充; 4、蓄熱模塊; 5、地暖系統:高密度的地暖充分換熱,一部分向室內供暖,一部分儲存在恒溫蓄熱模塊之中。 | 本實驗室設計空間為40平方米,室內高度2.5米。擬采用真空管式集熱器、集熱面積約15平方米,儲水箱采用雙層不銹鋼內夾聚氨酯發泡保溫層,水箱放在室外水箱支架上或放在室內,靈活多變。 |
| JZYG-SWQ7 太陽能光伏利用 | 500 | W | 用戶光電轉換,提供照明電能 | 獨立的帶控制的實際系統 |
| JZYG-SWQ8 導光管及光纖利用 | 1 | 組 | 自然光采光利用 | 導光管裝置:導光管的全反射率98%以上,最高反射率可達99.9%,使得光線在系統中可以長距離的傳輸,遇到障礙時可以采用不同角度的彎管在建筑中任意穿行。 |
| JZYG-SWQ9 智能遮陽系統 | 1 | 組 | 用于遮光或反光 1、產品選用高強度鋁合金制造。 2、外加特殊烤漆層,防腐抗酸耐腐蝕。 3、產品可在一定范圍內任意伸縮,手動、電動均可。 |
由智能控制器按照設定的時段,控制不同朝向的百葉翻轉角度。通過屋頂設置的多方位陽光感應器檢測晴天還是陰天。陰天,系統控制百葉水平打開;晴天,則按陽光自動跟蹤模式執行 |
| JZYG-SWQ10 太陽能建筑節能測試系統 | 1 | 套 | 整個太陽能建筑的節能監測及能效測評由2套測試系統完成 可再生能源建筑應用測評系統 材料光學性能測試儀(用于測試太陽房使用材料的太陽吸收率,反射率等光學指標) | 能效測評內容: 集熱系統得熱量, 系統常規熱源耗能量, 貯熱水箱熱損系數, 集熱系統效率, 太陽能發電量,太陽能保證率 全年加權太陽能保證率, 全年加權常規能源替代量, 二氧化碳減排量(噸/年);二氧化硫減排量(噸/年), 年節約費用(元/年);靜態投資回收年限,示范推廣性評價 |
1.JZYG-SWQ1節能圍護結構
本實驗房圍護結構為節能輕鋼彩板房。彩板活動房是一種以輕鋼為骨架,以夾芯板為圍護材料,以標準模數系列進行空間組合,構件采用螺栓連接,全新概念的環保經濟型彩鋼活動房屋。可方便快捷地進行組裝和拆卸,實現了臨時建筑的通用標準化,樹立了環保節能、快捷高效的建筑理念,使臨時房屋進入了一個系列化開發、集成化生產、配套化供應、可庫存和可多次周轉使用的定型產品領域。
輕鋼彩板房有以下特點:
1.重量輕:10-14千克/平方米,相當于磚墻的1/30。
2.隔熱保溫:芯材導熱系數: λ<=0.041w/mk。
3.強度高:可作天花圍護結構板材承重,抗彎抗壓;一般房屋不用梁柱 。
4.色澤鮮艷:無須表面裝飾,彩色鍍鋅鋼板防腐層保持期在10-15年。
5.安裝靈活快捷:施工周期可縮短40%以上。
6.氧指數:(OI)32.0(省消防產品質檢站)。
節能輕鋼彩板房最大限度地節能、節地、節水、節材,保護環境和減少污染,為人們提供健康、實用和高效的應用空間,大方和諧共生的建筑。與一般建筑相比,綠色建筑是更節儉、更環保、更宜居的建筑,具有六大突出特點:一是選址規劃綠色合理,二是資源利用高效循環,三是綜合辦法頂事節能,四是建筑環境健康舒適,五是廢物排泄減量無害,六是建筑功能活泛合適。
2.JZYG-SWQ2 節能門窗隔熱玻璃
本實驗室節能門窗采用最新節能產品斷橋鋁合金框架配套中空LOW-E耐熱玻璃。屬于"節能采光系統"
Low-E玻璃又稱低輻射玻璃,是在玻璃表面鍍上多層金屬或其他化合物組成的膜系產品。其鍍膜層具有對可見光高透過及對中遠紅外線高反射的特性,使其與普通玻璃及傳統的建筑用鍍膜玻璃相比,具有優異的隔熱效果和良好的透光性。通光率可達到80%,輻射率低于0.1.優于國家標準。
一個"節能采光系統"的優越性必須體現在盡可能高的太陽總能量的透過,而同時具有最低的"u"值。通過同時考慮能量的獲得和熱的損失,建立了能量平衡方程式,Ueg=UF-RFg。最好的能量平衡特性的采光系統是真空磁控濺射"Low-E"鍍膜中空玻璃。盡管單層玻璃其太陽能的透射為最大,但它的"u"值及"Ueg"值卻最差。因此,不能滿足好的能量平衡的需求。 單純高的太陽能透射,能有效地保持這些能量,就不能認為它是節能材料。"Low-E" 鍍膜中空玻璃是一種較好的節能采光材料。它具有較高的太陽能透射,非常低的"u"值,并且,由于鍍膜的效果,"Low-E"玻璃反射的熱量回到室內,使得窗玻璃附近的溫度較高,人在窗玻璃附近也不會感到太大的不適。而應用"Low-E"窗玻璃的建筑其室內溫度相對較高,因此在冬季可以保持相對高的室內溫度,而不結霜,這樣在室內的人也會倍感舒適。"Low-E"玻璃也能夠阻擋大量的紫外線透射,防止室內的物品退色。
節能門窗采用節能產品斷橋鋁合金框架,是因為它具有以下優點:
1、保溫性好:斷橋鋁型材中的PA66尼龍導熱系數低
2、隔音性好:其結構經精心設計,接縫嚴密,試驗結果,隔音 30 db ,符合相關。
3、耐沖擊:由于斷橋鋁型材外表面為鋁合金,因此它比塑鋼窗型材的耐沖擊 。
4、氣密性好:斷橋鋁型材窗各隙縫處均裝多道密封膠條,氣密性好。
5、水密性好:門窗設計有防雨水結構,將雨水完全隔絕于室外。
6、防火性好:鋁合金為金屬材料,不燃燒。
7、防盜性好:斷橋式鋁合金窗,配置優良五金配件及高級裝飾鎖,使盜賊束手無策
8、免維護:斷橋式鋁合金窗型材不易受酸堿侵蝕,不會變黃褪色,幾乎不必保養。
所以節能門窗斷橋式鋁合金型材配中空低輻射隔熱玻璃,隔音隔熱的效果應該是最好的。
3.JZYG-SWQ3 太陽房日光間
“太陽房”一詞起源于美國。人們看到用玻璃建造的房子內陽光充足,溫暖如春,便形象地稱為太陽房。太陽房是直接利用太陽輻射能的重要方面,把房屋看作一個集熱器,通過建筑設計把高效隔熱材料、透光材料、儲能材料等有機地集成在一起,使房屋盡可能多地吸收并保存太陽能,達到房屋采暖目的。太陽房概念與建筑結合形成了"太陽能建筑"技術領域,成為太陽能界和建筑界共同關心的熱點。
本實驗室采用的是組合式附加集熱墻式太陽房。太陽房的平面尺寸為長度2M,寬度2M,高度2.5M。集熱墻的面積為:2.5M×2M。這種太陽房主要是利用南向垂直集熱墻,吸收穿過玻璃采光面的陽光,然后通過傳導、輻射及對流,把熱量送到室內。墻的外表面一般被涂成黑色或某種暗色,以便有效地吸收陽光。附加陽光間實際上就是在房屋主體南面附加的一個玻璃溫室,見附圖。從某種意義上說,附加太陽間是直接受益式(南向的溫室)和集熱蓄熱墻式(后面帶集熱蓄熱墻的房間)的組合形式。該集熱蓄熱墻將附加陽光間與房屋主體隔開,墻上一般開設有門、窗或通風口,太陽光通過附加陽光間的玻璃后,投射在房屋主體的集熱蓄熱墻上。由于溫室效應的作用,附加陽光間的溫度總是比室外溫度高。因此,附加陽光間不僅可以給房屋主體提供更多的熱量,而且可以作為一個緩沖區,減少房屋主體的熱損失。冬季的白天,當附加陽光間內的溫度高于相鄰房屋主體的溫度是,通過開門、開窗或打開通風口,將附加陽光間的熱量通過對流的方式傳入相鄰的房間,其余時間則關閉門、窗或通風口。組合式是多種被動式采暖技術組合而成,不同形式互為補充,以獲得更好的采暖效果。
4 JZYG-SWQ4.集熱蓄熱墻
特朗伯集熱墻是一種依靠墻體獨特的構造設計,無機械動力、無傳統能源消耗、僅僅依靠被動式收集太陽能為建筑供暖的集熱墻體。它由法國太陽能實驗室主任FelixTrombe教授及其合作者首先提出并實驗成功的,故通稱為Trombewall(特朗伯墻)。特朗伯墻在冬、夏兩季以及白天、夜晚的工作運行原理及要求均有所差別。
特朗伯集熱墻是由朝南的重質墻體與相隔一定距離的玻璃蓋板組成。在冬季,太陽光透過玻璃蓋板被表面涂成黑色的重質墻體吸收并儲存起來,墻體帶有上下兩個風口使室內空氣通過特朗勃墻被加熱,形成熱循環流動。玻璃蓋板和空氣層抑制了墻體所吸收的輻射熱向外的散失。重質墻體將吸收的輻射熱以導熱的方式向室內傳遞,冬季采暖過程的工作原理如圖3-40(a)-(b)所示。但另一方面,冬季的集熱蓄熱效果越好,夏季越容易出現過熱問題。目前采取的辦法是利用集熱蓄熱墻體進行被動式通風,即在玻璃蓋板上側設置風口,通過如圖3-40(c)-(d)所示的空氣流動帶走室內熱量。另外利用夜間天空冷輻射使集熱蓄熱墻體蓄冷或在空氣間層內設置遮陽卷簾,在一定程度上也能起到降溫的作用。通過對位某地區采用集熱蓄熱墻的被動式太陽房進行實測,表明太陽房室內溫度在夏季比對比房低5℃。冬季高9℃
5. JZYG-SWQ5地面采暖系統
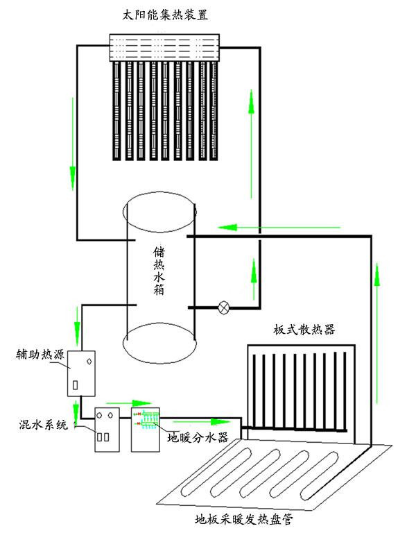
本實驗室的地面采暖系統是通過太陽能熱水工程實現的。在地板下面安裝地熱。太陽能熱水工程系統,是由集管式集熱器陳列、儲熱水箱、輔助加熱系統、智能控制系統、管道及循環系統組合而成的,可根據需要隨意設置出水溫度、能與常規能源配合、實現24小時連續熱水供應的太陽能熱水系統。真空集熱管接受太陽輻射,將收集的太陽輻射能轉化為熱能,逐漸加熱真空管和集熱器內的水;當集熱器內的水溫達到設定溫度時,通過溫度傳感器、溫度控制器及電磁閥、水泵等設備,將集熱器里的熱水輸送到具有保溫功能的儲熱水箱中存儲起來,同時自動補進冷水。當水位達到儲熱水箱上限后,溫度控制器啟動相應設備,將系統運行方式自動轉為定溫循環,使集熱器與水箱及地熱管路之間形成循環,繼續利用太陽輻射能量,進一步實現熱水循環系統。這樣,地板就這樣熱起來了。
6. JZYG-SWQ6太陽能集熱系統
本試驗室采暖采用太陽能熱水器和地暖相結合方式:
在現代化世紀的今天,能源利用和環保有機的結合起來,也是世界未來的發展的必然趨勢,現代化的能源必然取代傳統的能源。
太陽能試驗室把冬季取暖與太陽能熱水系統有機的結合起來加以控制和利用,地面輻射采暖取代古老的散熱器及輕質散熱器的采暖方式, 加熱均勻且熱量保持持久。
太陽能集熱器采集太陽的能量,把冷水逐漸加熱,儲存在保溫水箱內,待需要取暖時開啟加以利用,把水箱內儲存的熱能通過地暖管路內熱水的循環對室內空間進行釋放熱能,將室內的冷空氣加熱,來提高室內空間的環境溫度。滿足需要。太陽能采暖系統由太陽能集熱器(平板太陽能集熱器、真空管太陽能集熱器、U型管太陽能集熱器、熱管太陽能集熱器)、水箱、連接管道、控制系統等輔材構成。將分散的太陽能通過集熱器,把太陽能轉換成熱水,將熱水儲存在水箱內,然后通過熱水輸送到地暖管路,提供建筑供熱的需求。
其主要有以下五大模塊組成:
1、太陽能集熱板集熱系統生產熱水;
2、太陽能控制器、水箱系統控制;
3、輔助加熱系統 供熱補充;
4、蓄熱模塊;
5、地暖系統:高密度的地暖充分換熱,一部分向室內供暖,一部分儲存在恒溫蓄熱模塊之中。
示意圖如下:

本實驗室設計空間為40平方米,室內高度2.5米。擬采用真空管式集熱器、集熱面積約15平方米,儲水箱采用雙層不銹鋼內夾聚氨酯發泡保溫層,水箱放在室外水箱支架上或放在室內,靈活多變。



試驗室內鋪設盤管式地暖管,為保證室內溫度均勻和溫度可控性采用四路分水器對地暖進行控制,地暖管采用高品質PE-RT地暖管。同時為滿足生活用水需要,可增加一些輔助設施。
采用新型地暖專用模塊地暖是安裝結構、科學合理、搬運方便、施工簡單、便于維修。大大提高了散熱面積和導熱速度、降低了地暖的熱效應時間、實現了地暖熱量的釋放和傳導的有機結合,并且可以在上面直接鋪設木地板和瓷磚,節能環保抗壓耐腐蝕,同時縮短施工周期、不受季節影響。
下圖地暖示意圖:
節能、熱效應效果顯著:以最小的熱能達到最好的暖房效果,低溫熱水(50℃-60℃)通過地面輻射直熱型方式,節能、加熱均勻且熱量保持持久。
安全性高:太陽能熱水地熱取暖即環保無污染不產生任何有毒氣體,不產生有毒有害物質及電磁波,同時對人身無意外傷害,如燙傷、觸電等危險。
太陽能熱水取暖立體效果圖:
太陽能既是一次能源,又是可再生能源。它資源豐富,既可免費使用,又無需運輸,對環境無任何污染。為人類創造了一種新的生活形態,使社會及人類進入一個節約能源減少污染的時代。
7. JZYG-SWQ7 太陽能光伏利用
太陽能光伏發電系統是利用太陽電池半導體材料的光伏效應,將太陽光輻射能直接轉換為電能的一種新型發電系統,有獨立運行和并網運行兩種方式。獨立運行的光伏發電系統需要有蓄電池作為儲能裝置,光伏發電系統與電網連接并網運行,省去蓄電池,不僅可以大幅度降低造價,而且具有更高的發電效率和更好的環保性能。
光伏板組件是一種暴露在陽光下便會產生直流電的發電裝置,由幾乎全部以半導體物料(例如硅)制成的薄身固體光伏電池組成。
技術指標:
1.光伏電站為500W多晶硅電池組件發電站,滿足太陽房的照明使用功能,陰雨天保證24小時連續供電
2. 室外太陽電池組件陣列系統
系統組成:
室外太陽電池組件陣列系統包括太陽電池組件、支架、基礎。
太陽電池組件最小輸出功率大于15 Wp;數量:33塊,安裝于太陽房南墻外表面,裝飾與發電一體.
逆變器參數:
額定容量:1KVA;輸出波形:正弦波;過載能力:120%,1分鐘;
電壓穩定精度220 AC±3%;頻率穩定精度50 Hz±0.04;
控制儲能系統
系統組成:控制儲能系統包括柜體、控制器、儲能裝置。
控制器系統工作電壓48V;具有保護功能,具有控制器電源接口(太陽能電池陣列電壓)直流電測試; 具有互鎖開關;開關保護器。

8. JZYG-SWQ8導光管及光纖利用

導光管技術是一種健康、節能、環保型照明產品。該產品無需用電,它的工作原理是將室外的自然光線通過采光罩進入系統風,經特殊制作的光導管道傳輸和強化后由系統的底部的漫射裝置把自然光均勻漫射到室內每一個角落。
我們的實驗室是在房屋的屋頂通過導光管引入自然光。超級反光的光導管,集中自然光,并可調節彎頭,使光導管能夠自然彎曲和轉動,將自然光準確的導入你所需要的地方,從黎明到黃昏,甚至是陰雨天氣,讓無法從窗戶透進光線的地方明亮起來。是屬于"導光管照明系統"。
作為一種無電照明系統,導光管照明系統是通過室外的采光裝置捕獲室外的日光,并將其導入系統內部,然后經過導光管裝置強化并高效傳輸后,由漫射器將自然光均勻導入室內需要光線的任何地方。從黎明到黃昏,甚至是陰天或雨天,該照明系統導入室內的光線仍然十分充足。該裝置主要由三部分組成:室外屋頂的采光裝置、導光管傳輸部分、室內頂部的漫射器。
采光裝置:透明采光罩具有極高的透光性能和折射性能,可以把自然光高效透入進系統內,弧線和折邊的設計一方面可以將低角度光線折射進入系統,使得采光面積遠大于采光罩的面積。另一方面空氣中的灰塵也不容易附著,避免了頻繁的清潔維護。特殊的材料和工藝,可以隔絕大部分紫外線,并使其具有非常好的耐候性和抗沖擊性。
導光管裝置:導光管的全反射率98%以上,最高反射率可達99.9%,使得光線在系統中可以長距離的傳輸,遇到障礙時可以采用不同角度的彎管在建筑中任意穿行。
漫射器裝置:漫射器具有極強的透射性、散光性和非常好的隔熱、隔音效果、不易著火且離火自熄,可以將進入系統的自然光重新分配,使之均勻分布在室內。多種不同系列的漫射器可與各類空間的裝修風格相匹配,為您提供一個無眩光、無頻閃、全光譜、健康舒適的光環境。
另外,導光管照明系統通過采光裝置可以大量聚集光線,導光管可以避開廠房內部的各種結構,高效率的傳輸光線,再通過漫射裝置,使光線均勻、無眩光的照射到室內。導光管照明效果不會因光線入射角的變化而改變,且照射面積大,不會產生局部聚光現象,不受吊頂影響。導光管照明系統能通過很小的采光面積(八分之一)就能達到采光天窗的效果,光效比大大強于采光天窗。
導光管照明系統采光罩多為球形或弧形設計,而且面積比采光天窗小,表面經特殊處理,不容易積聚灰塵。少量灰塵也可由風吹或雨水沖刷達到自潔效果。采光罩表面的涂層,能有效減弱有害輻射(紫外光、紅外光)能最大限度的保護我們的身心健康,屬于綠色、 健康、 節能、環保產品。
導光管照明系統開孔面積小,不會受材料本身熱脹冷縮性能影響,并可通過設備的防水裝置與各種屋面進行結合,達到完全防水效果。
導光管照明系統本身的密封性能有效防止空氣對流,也可以理解為整個系統其實就是一個密封的空氣管,在夏天可以防止室外的熱量傳入,減輕空調的負荷,冬天也能保證室內達到最小的熱量損失;安裝還采取斷開與屋面冷熱橋的保溫措施,使得系統本身和屋面形成了良好的保溫效果。最適合需要恒溫恒濕的廠房使用。
9.JZYG-SWQ9智能遮陽系統

遮陽是建筑節能的有效途徑,通過良好的遮陽設計在節能的同時又可以豐富室內的光線分布,還可以豐富建筑造型及立面效果。作為建筑智能化不可或缺的智能遮陽系統,隨著技術的不斷進步和建筑智能化的普及,建筑遮陽將會有更加完備的智能控制系統,相信越來越多的建筑將采用智能遮陽系統,并在設計階段就應被集成汲取,智能化角度使遮陽達到最優的效果。
現在運用最多的智能遮陽控制系統是基于LONWORKS控制網絡的技術,可實現下列功能:系統依據當地氣象資料和日照分析結果,對不同季節、日期、不同時段及不同朝向的太陽仰角和方位角進行計算。再由智能控制器按照設定的時段,控制不同朝向的百葉翻轉角度。通過屋頂設置的多方位陽光感應器檢測晴天還是陰天。陰天,系統控制百葉水平打開;晴天,則按陽光自動跟蹤模式執行,同時還根據自身形體及周邊建筑的情況建立遮擋模型,將參考點每天的陰影變化計算出來,存儲在電機控制器里,再按照結果自動運行。
我們的實驗室是每個位置的窗戶都配備相應的智能遮陽系統。產品為伸縮遮陽蓬 Retractable Awning,具有伸展面積大,可自由伸縮,寬度可任意組合(最大可達36m*4m)等特點。夏日,能使室內降低5—7度,且能保證空氣流通。 冬季,能自由調節室內光線,擋住雨雪的侵擾,傾斜度可以從0度至90度自由調節,此款產品能充分顯示出主人身分的尊貴與高雅的品味。
鋁合金骨架都采用高強度抗氧化處理,精確壓鑄而成。鋼制骨架表面都經拋光烤漆或噴塑處理。色彩齊全,使用壽命可長達10年之久。遮陽面料是由當今歐美流行的聚丙稀晴綸制成,這種材料耐高溫、耐寒冷、耐腐蝕、耐拉伸,且防曬、防水,能抵抗任何環境氣候的影響。能保持五年色彩鮮艷。
1、 產品選用高強度鋁合金制造。
2、 外加特殊烤漆層,防腐抗酸耐腐蝕。
3、 產品可在一定范圍內任意伸縮,手動、電動均可。
4、 配以專用的條紋遮陽面料,不僅美觀,更能使您和您的家居免受暴曬之苦。
5、 嚴格控制和檢測每個環節,力求每個產品都不僅高質而且牢固耐用。
產品特性:按出口標準測試抗風能力達到6級, 1500帕水壓此款為開放式,整體機構及卷布軸等均暴露在外,有后方管,手臂用鋁合金連接件牢固與著力在方管上,安裝有配套各式的墻碼,長度超過5m中間另加中托手臂,整體機構前后通,手臂都用優質鋁材加厚,重要關節等零部件都采用進口裝配,電動手動均可。安裝適應屋檐或物體挑出25cm左右或采用成型完美的鋁合金雨蓋板。
10. JZYG-SWQ10節能監控系統
本實驗室集合了多項現在最常用、最典型、最新的節能技術,通過實際應用的方式直觀體現其特點和功能。所有部件都是模塊化設計,本公司自己開發了監控系統。

根據國家建筑節能檢測要求,需對應用可再生能源的建筑進行能效測評,我公司結合國內外的測評標準推出符合建設部門要求的測評檢測裝置------TRM-2D型可再生能源建筑應用測評系統,其采用智能化控制技術,檢測精度高,實現無人測試,提高工作效率,連接微機自動生成能效測評報告,保證建筑工程的設計指標及施工質量驗收標準,同時該產品還可以對當地的太陽能資源進行監測,為設計太陽能系統工程提供數據,因此是質檢部門、生產廠家、科研單位必備檢測工具。
系統按照可再生能源建筑應用示范項目測評導則要求檢測:
1.太陽能熱利用系統測評標準
①太陽能熱水系統
②太陽能供熱采暖系統
③太陽能供熱制冷系統
④太陽能光伏系統
2.地源熱泵系統測評標準
1.環境溫度 -40℃~60℃;
2.相對濕度 ≤90%;
3.適用電源 220V(±10%),50Hz(±2%),或無電源地區(內配充電電池DC12V)。
按照可再生能源建筑應用示范項目測評導則要求進行測試。
1. 太陽能建筑應用光熱系統所采用的太陽能集熱器、太陽能熱水器等關鍵設備應具有相應的國家級全性能合格的檢測報告,符合國家相關產品標準的要求;
2. 系統應按原設計要求安裝調試合格,并至少正常運行3天,方可以進行測試;
3. 所有示范項目必須按照測試的要求預留相關儀器的測試位置和條件,其用水量、水溫等參數必須按照設計要求的條件下進行測試;
4. 太陽能熱水系統試驗期間環境平均溫度:8℃≤ta≤39℃;
5. 環境空氣的平均流動速率不大于4m/s;
6.至少應有4天試驗結果具有的太陽輻照量分布在下列四段:J1<8MJ/㎡·日;8MJ/㎡·日≤J2<13MJ/㎡·日;13MJ/㎡·日≤J3<18MJ/㎡·日;18MJ/㎡·日≤J4。
| 太陽輻射表 (符合國標GB/T19565) | A.通道數:2通道總輻射,測量(水平面與傾斜面)的太陽能量,同時可以相互校準 B.測量范圍:0~2000W/m2 C.測量精度:小于5% D.顯示分辨率:1 W/m2 E.顯示內容:瞬時值,小時累計量,日累計量等 F.靈敏度:7-14mV / ( kW·m2 ) G.反應時間:≤30s(99 %響應) H.年穩定度:≤±2 % I.余弦響應:≤±7 % 高度角 10º J.線性: ≤±2 % K.光譜范圍:0.3-3.0 μm L.溫度系數:≤± 2 % (-10~40℃) |
|---|---|
| 水箱溫度 | A.通道數:6路 B.測量范圍:-10~100℃ C.測量精度:±0.2℃ D.顯示分辨率:0.1℃,不銹鋼封裝,¢4*40mm,全密封,防水,管路安裝結構 |
| 環境溫度 | A.通道數:1路 B.測量范圍:-40~70℃ C.測量精度:±0.2℃ D.顯示分辨率:0.1℃,不銹鋼封裝,¢4*40mm,全密封,防腐,放水,帶防輻射罩 |
| 環境濕度 | A.通道數:1路 B.測量范圍:0~100% C.測量精度:±2%RH D.分辨 率:0.1%RH |
| 水流量 (渦輪或超聲波流量計) | A.通道數:2路 B.測量范圍:0.2~2(立方米/小時) C.耐水溫:0--100度 D.測量精度: <0.5% |
| 環境風速 | A.通道數:1路 B.測量范圍:0~70米/秒 C.測量精度:±0.3米/秒 |
| 電功率 | 交流電壓:220V—380V,電流:0—30A,頻率:50Hz;準確度等級:3.0級; 功率:0—6000瓦,頻率變化允許范圍:±10%fn,電壓變化允許范圍:±10%Un |
| 可再生能源建筑應用測評檢測儀 | A.采用高性能微處理器為主控CPU,大容量數據存儲器,可連續存儲數據4000條以上,數據采樣率高于0.5秒/通道,工業控制標準設計,便攜式防震結構,大屏幕液晶顯示屏,輕觸薄膜按鍵,操作簡單,適合在惡劣工業環境使用,具有停電保護功能,當交流電停電后,由充電電池供電,可維持24小時以上。 B.外觀尺寸:金屬外殼350×150×300(mm)。 C.數據存儲容量:4000條數據。 D.數據存儲內容:時間(真太陽時間),太陽輻射(瞬時功率,日累計量),溫度(環境溫度,水溫,集熱器溫度),風速,流量,輔助加熱電功率等信息。 E.顯示內容:時間(真太陽時間),太陽輻射(瞬時功率,日累計量),溫度(環境溫度,水溫,集熱器溫度),風速,流量,輔助加熱電功率等信息。 標準RS232接口與管理微機有線連接(增加驅動器通訊距離達200米),實時傳送采集數據,并可下載數據存入微機 |
| 可再生能源建筑應用測評系統管理軟件 | 此軟件按照可再生能源建筑應用示范項目測評導則要求檢測:滿足以下標準 一.太陽能熱利用系統測評標準 1.太陽能熱水系統 2.太陽能供熱采暖系統 3.太陽能供熱制冷系統 4.太陽能光伏系統 二.地源熱泵系統測評標準 自動打印檢測報告,在windows2000以上環境即可運行,實時顯示各路數據,檢測數據自動存儲(存儲時間可以設定),自動繪制測評曲線圖,與打印機相連自動打印,數據存儲格式為EXCEL標準格式,可供其它軟件調用。 |
| 系統結構 | 所有檢測儀表放入二臺箱內,一臺不銹鋼便攜支架(高:2.5米,重量:5公斤)可在現場安裝測量。 |
| 測評指導書 | 按照(可再生能源建筑應用示范項目測評導則)實驗 |
本儀器為光學儀器是檢測太陽能真空管,太陽能集熱器及高新材料、涂料、顏料、建筑等行業精確測量而研制的專用儀器,它可用于各種太陽能真空管,太陽能集熱器涂層、漆膜、油脂、簿膜、塑料制品、有機制品反射率和吸收率的測量。同時亦可作為可見光、紫外、紅外等光譜的測定(即相同光源不同材料的測定或者相同材料不同光源的測定)。
所謂反射是指選擇反射,非透明體受到光照射后,由于其表面分子結構差異而形成選擇性吸收,從而將可見光譜中某一部分波長的輻射能吸收了,而將剩余的色光反射出來,這種物體稱為非透過體或反射體。本儀器就是利用此原理,采用光電轉換感應原理,它與多功能數字感應器配接使用,均能精確的測量出不同材料的反射率和不同光源的光譜范圍。儀器的感應元件采用了繞線電鍍式多接點熱點堆,其表面涂有高吸收率的涂層,感應元件的熱接點在感應面上,而冷接點位于一起的機體內,以便直接取環境溫度。為了防止熱接點單方向通過玻璃罩與環境進行熱交換影響測量精度,采用了兩層玻璃罩。當有光波通過反射片反射過來的時候,接受儀的冷熱接點就會產生溫差即產生電勢值,也就是將光信號轉換為電信號輸出,在線性誤差范圍內,輸出的信號與光波通過反射片反射出的光照度成正比。光的鏡面反射與粗糙面反射示意圖如下:

| 光源發射器 | 一臺 |
|---|---|
| 光輻射傳感器 | 一套 |
| 光輻射數據記錄儀 | 一臺 |
| 材料光學性能分析軟件 | 一套 |
1.測量范圍:0-100%;
2.重復精度:0.3%;
3.環境溫度:23℃±5℃;
4.相對濕度:<85%;
5.電源:220V±10%;
6.TRM-FX2材料光學性能測試儀,采用高性能微處理器為主控CPU,大容量數據存儲器,可連續存儲正點數據100天以上,數據采樣率高于0.5秒/通道,工業控制標準設計,便攜式防震結構,大屏幕漢字液晶顯示屏,輕觸薄膜按鍵,操作簡單。適合在惡劣工業環境使用。具有停電保護功能,當交流電停電后,由充電電池供電,可維持48小時以上。
6.1外觀尺寸:金屬外殼350×150×300(mm);
6.2數據存儲容量:3000條數據;
6.3數據存儲內容:時間,總輻射瞬時功率,反射輻射的瞬時功率,反射率,吸收率,透光率;
6.4顯示內容:時間,總輻射瞬時功率,反射輻射的瞬時功率,反射率,吸收率,透光率;
6.5標準RS232接口與管理微機有線連接,實時傳送采集數據,并可下載數據存入微機;
7.材料光學性能分析軟件在windows98以上環境即可運行,實時顯示各路數據,每隔10秒更新一次,檢測數據自動存儲(存儲時間可以設定),實時顯示測試結果,自動計算并繪制反射率,吸收率,透光率曲線圖,顯示材料對紫外光,可見光,紅外光的反射吸收比例與打印機相連自動打印,數據存儲量達十年以上,數據存儲格式為EXCEL標準格式可供其它軟件調用。
8.光輻射傳感器采用專業光輻射原理設計,一套分三種光接收器(光譜范圍:280---3000nm,400---3000nm,700---3000nm),可測試材料對紫外(280—400nm),可見(400—700nm),紅外光(700—3000nm)的反射率,吸收率,透光率;
8.1 測量范圍:0----2000W;
8.2 測量精度:小于5%;
8.3 分辨率:1W;
8.4 光譜范圍:A:280---3000nm, B:400---3000nm, C:700---3000nm。
| 序號 | 名 稱 | 型號 | 數量 | 單位 |
|---|---|---|---|---|
| 1 | 光輻射數據記錄儀 | TRM-FX2 | 1 | 臺 |
| 2 | 光輻射傳感器 | TBQ-4-3A | 1 | 臺 |
| 3 | 光源發射器 | TRM-FX2B | 1 | 臺 |
| 4 | 材料光學性能分析軟件 | TRM-FX2 | 1 | 套 |
| 5 | 產品使用手冊及合格證 | 1 | 套 |